-
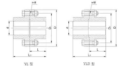
YL型凸緣聯軸器和YL型凸緣聯軸器的結構和基本參數為:

| 型號 | 公稱扭矩 Tn(N·m) | 許用轉速[n]r/min | 軸孔直徑d(H7) | 軸孔長度L | D | D1 | 螺栓 | L0 | 轉動慣量 (kg.m2) | 重量 (kg.m3) | ||||||
| Y型 | J1型 | 數量 n | 直徑M | |||||||||||||
| 鐵 | 鋼 | 鐵 | 鋼 | Y型 | J1型 | |||||||||||
| YL1 YLD1 | 10 | 8100 | 13000 | 10 11 | 10 11 | 25 | 22 | 71 | 53 | 3(3) | M6 | 54 | 48 | 0.0018 | 0.94 | |
| 12 14 | 12 14 | 32 | 27 | 68 | 58 | |||||||||||
| 16 18 19 | 16 18 19 | 42 | 30 | 88 | 64 | |||||||||||
| 20 - | 20 22 | 52 | 38 | 108 | 80 | |||||||||||
| YL2 YLD2 | 16 | 7200 | 12000 | 12 14 | 12 14 | 32 | 27 | 80 | 64 | 4(4) | M6 | 68 | 58 | 0.0035 | 1.50 | |
| 16 18 19 | 16 18 19 | 42 | 30 | 88 | 64 | |||||||||||
| 20 22 | 20 22 | 52 | 38 | 108 | 80 | |||||||||||
| YL3 YLD3 | 25 | 6400 | 10000 | 14 | 14 | 32 | 27 | 90 | 69 | 3(3) | M8 | 68 | 58 | 0.0060 | 1.99 | |
| 16 18 19 | 16 18 19 | 42 | 30 | |||||||||||||
| 88 | 64 | |||||||||||||||
| 20 22- | 20 22 24 | 52 | 38 | 108 | 80 | |||||||||||
| 128 | 92 | |||||||||||||||
| YL4 YLD4 | 40 | 5700 | 9500 | 18 19 | 18 19 | 42 | 30 | 100 | 80 | 3(3) | M8 | 88 | 64 | 0.0093 | 2.47 | |
| 20 22 24 | 20 22 24 | 52 | 38 | 108 | 80 | |||||||||||
| 25 - | 25 28 | 62 | 44 | 128 | 92 | |||||||||||
| YL5 YLD5 | 63 | 5500 | 9000 | 22 24 | 22 24 | 52 | 38 | 105 | 85 | 4(4) | M8 | 108 | 80 | 0.013 | 3.19 | |
| 25 28 | 25 28 | 62 | 44 | 128 | 92 | |||||||||||
| 30 - | 30 32 | 82 | 60 | 168 | 124 | |||||||||||
| YL6 YLD6 | 100 | 5200 | 8000 | 24 | 24 | 52 | 38 | 110 | 90 | 4(4) | M8 | 108 | 80 | 0.017 | 3.99 | |
| 25 28 | 25 28 | 62 | 44 | 128 | 92 | |||||||||||
| 30 32 - | 30 32 35 | 82 | 60 | 168 | 124 | |||||||||||
| YL7 YLD7 | 160 | 4800 | 7600 | 28 | 28 | 62 | 44 | 120 | 95 | 4(3) | M10 | 128 | 92 | 0.029 | 5.66 | |
| 30 32 35 38 | 30 32 35 38 | 82 | 60 | 168 | 124 | |||||||||||
| - | 40 | 112 | 84 | 228 | 172 | |||||||||||
| YL8 YLD8 | 250 | 4300 | 7000 | 32 35 38 | 32 35 38 | 82 | 60 | 130 | 105 | 4(3) | M10 | 169 | 125 | 0.043 | 7.29 | |
| 40 42 - | 40 42 45 | 112 | 84 | 229 | 173 | 6.53 | ||||||||||
| YL9 YLD9 | 630 | 4100 | 6800 | 38 | 38 | 82 | 60 | 140 | 115 | 6(3) | M10 | 169 | 125 | 0.064 | 9.53 | |
| 112 | 84 | 229 | 173 | |||||||||||||
| 40 42 45 48 - | 40 42 45 48 50 | |||||||||||||||
| YL10 YLD10 | 630 | 3600 | 6000 | 45 48 50 55 - | 45 48 50 55 56 | 160 | 130 | 6(4) | M12 | 0.112 | 12.46 | |||||
| - | 60 | 142 | 107 | 289 | 219 | |||||||||||
| YL11 YLD11 | 1000 | 3200 | 5300 | 50 55 56 | 50 55 56 | 112 | 84 | 180 | 150 | 8(4) | M12 | 229 | 173 | 0.205 | 17.97 | |
| 60 63 65 - | 60 63 65 70 | 142 | 107 | 289 | 219 | |||||||||||
| YL12 YLD12 | 1600 | 2900 | 4700 | 60 63 65 70 71 75 | 60 63 65 70 71 75 | 200 | 170 | 12(6) | M12 | 0.443 | 30.62 | |||||
| - | 80 | 52 | 38 | 349 | 269 | 0.463 | 29.52 | |||||||||
| YL13 YLD13 | 2500 | 2600 | 4300 | 70 71 75 | 70 71 75 | 142 | 107 | 220 | 185 | 8(6) | M16 | 289 | 219 | 0.646 | 35.58 | |
| 80 85 - | 80 85 90 | 172 | 132 | 349 | 269 | |||||||||||
| YL14 YLD14 | 4000 | 2300 | 4800 | 80 85 90 95 | 80 85 90 95 | 172 | 132 | 250 | 215 | 12(8) | M16 | 350 | 270 | 1.353 | 57.13 | |
| 100 - | 100 110 | 212 | 167 | 430 | 340 | |||||||||||
| YL15 YLD15 | 6300 | 2000 | 3400 | - - | 90 95 | 172 | 132 | 290 | 250 | 12(6) | M20 | 350 | 270 | 2.854 | 89.59 | |
| 100 110 120 - | 100 110 120 125 | 212 | 167 | 430 | 340 | |||||||||||
| YL16 YLD16 | 10000 | 1800 | 3000 | - - 120 125 | 100 110 120 125 | 340 | 290 | 12(6) | M24 | 5.271 | 119.57 | |||||
| 130 - | 130 140 | 252 | 202 | 510 | 410 | |||||||||||
| YL17 YLD17 | 14000 | 1600 | 2600 | - - | 120 125 | 212 | 167 | 380 | 330 | 12(6) | M24 | 430 | 340 | 9.139 | 171.71 | |
| 130 140 150 | 130 140 150 | 252 | 202 | 510 | 410 | |||||||||||
| - | 160 | 302 | 242 | 610 | 490 | |||||||||||
| YL18 YLD18 | 20000 | 1400 | 2300 | - - | 140 150 | 252 | 202 | 420 | 360 | 12(6) | M30 | 510 | 410 | (17.883) | (263.5) | |
| - - - | 160 170 180 | 302 | 242 | 610 | 490 | |||||||||||









